DRINKFONTEIN VRIJSTAAND 3703

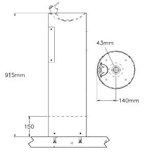
Drinkfontein Creativ RVS 304 vrijstaande drinkfontein h=915mm.
Drinkfontein, vrijstaande vloermontage, rond 280 mm dia.inw. 265 mm. voorzien van kraangatplateau met RVS drinkuitloop, geintergreerde drukknop en roosterplug 1 ¼” en afvoer, hoogte zuil 915 mm. Diam. 280mm Uitvoering RVS, AISI 304, dikte1,6 mm., afwerking geborsteld. Incl. drinknozzle. optie glas/flessenvuller
Productcode
1302601
Merk
Prijs op aanvraag

Heeft u vragen? Bel 078 - 69 18 783

Maatwerk?

Wij hebben al jarenlang ervaring met RVS maatwerk. Al onze RVS maatwerk producten kunnen binnen 1-3 weken geleverd worden.

De voordelen van een internorm account