CLOSET STAAND 2823

110300 RVS 304 WC S21 P staand toilet uitv. satin finish. Excl. zitting.
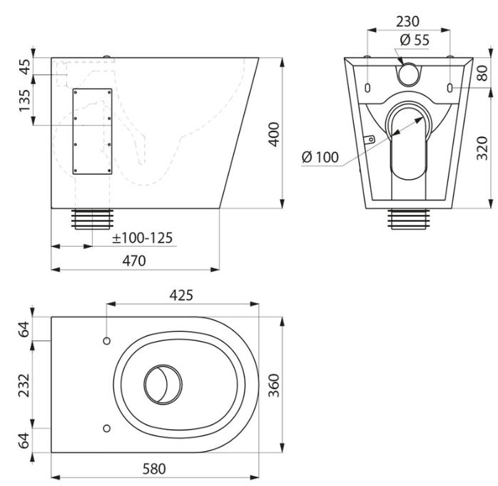
Staand RVS toilet met schuine voorzijde. Exclusief zitting. Afm. uitw. 580x400(h)x360(b)mm. Excl. ankers. Excl. sifon. Incl. inspectieluiken. Elegant en strak design. Bacteriostatisch RVS 304. Gesatineerde afwerking. Dikte RVS: 1,5 mm. Geperste kom, zonder lasnaden, voor een eenvoudig onderhoud en een betere hygiëne. De binnenkant van de kom is gepolijst en de randen zijn afgerond voor een gemakkelijke reiniging. Met spoelrand. Water inlaat horizontaal Ø 55 mm. Horizontale of verticale afvoer Ø 100 mm. Geleverd met PVC pijp. Waterbesparing: efficiënte werking met 4 L water of meer. Voorzien van boorgaten voor het plaatsen van een toiletzitting. RVS afdekdopjes worden meegeleverd voor gebruik zonder bril. Snel en eenvoudig te plaatsen: 2 inspectieluiken met anti-diefstal schroeven TORX. CE keurmerk. Conform de norm EN 997 voor een spoeling van 4 L.
Productcode
110300
Merk
Prijs op aanvraag

Heeft u vragen? Bel 078 - 69 18 783

Maatwerk?

Wij hebben al jarenlang ervaring met RVS maatwerk. Al onze RVS maatwerk producten kunnen binnen 1-3 weken geleverd worden.

De voordelen van een internorm account