SPOELBAK INLAS 5283

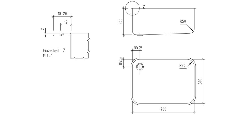
IBL705030L RVS 304 inlas spoelbak inw. 700x500x300mm. Incl. plug excl. standpijp.
Excl. klemmen. Grote diepgetrokken RVS spoelbak voor inlas of onderbouw. Afm. inw. 700x500x300mm. Met 1,5" afvoerplug. Links model.
Productcode
82123602
Merk
Prijs op aanvraag

Heeft u vragen? Bel 078 - 69 18 783

Maatwerk?

Wij hebben al jarenlang ervaring met RVS maatwerk. Al onze RVS maatwerk producten kunnen binnen 1-3 weken geleverd worden.

De voordelen van een internorm account