BIER BLAD 4886

ST-BB1802L RVS spoel-lekblad 1800x500mm bakken links
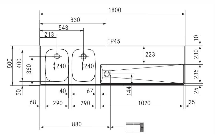
RVS Bierbuffetblad met spoelbakken links of rechts. Uitwendig 1800x500mm. Spoelbak 340x400x250mm. Incl 1.5" plug met standpijp.
Productcode
ST-BB1802L
Merk
Prijs op aanvraag

Heeft u vragen? Bel 078 - 69 18 783

Maatwerk?

Wij hebben al jarenlang ervaring met RVS maatwerk. Al onze RVS maatwerk producten kunnen binnen 1-3 weken geleverd worden.

De voordelen van een internorm account