TOILETROLHOUDER 3148

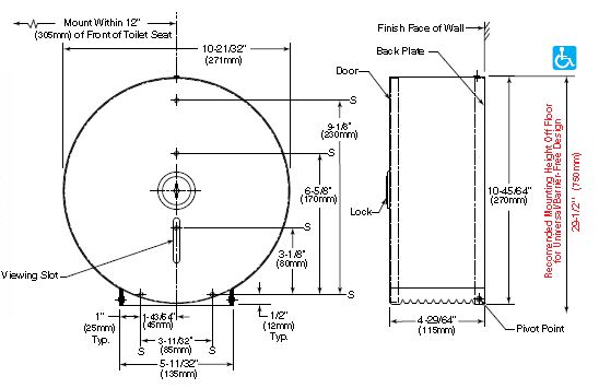
B2890 RVS jumbo closet rolhouder 270mm
RVS Closetrolhouder voor wandmontage. Geschikt voor grote toiletrol van diam. 270 mm. Uitvoering: satin finish
Productcode
B-2890
Merk
Prijs op aanvraag

Heeft u vragen? Bel 078 - 69 18 783

Maatwerk?

Wij hebben al jarenlang ervaring met RVS maatwerk. Al onze RVS maatwerk producten kunnen binnen 1-3 weken geleverd worden.

De voordelen van een internorm account